Sign In | Join Free | My wneducation.com
China Changzhou Lisongtai Industrial Motion Technology Co.,LtD logo
Changzhou Lisongtai Industrial Motion Technology Co.,LtD
Main Products: Mechanical Clutch,Sprag Freewheel,One Way Clutch,Overrunning Clutch,Backstop Clutch,Cam Clutch,One Way Bearing,Needle Roller Bearings,Cam Follower, Curve Roller Bearings,Combined
Site Member

9 Years

Home > Overrunning clutch >

R&B brand GFR/GFRN/MZEU/FGR/GL30 roller type one way overrunning clutch

Changzhou Lisongtai Industrial Motion Technology Co.,LtD
Contact Now

R&B brand GFR/GFRN/MZEU/FGR/GL30 roller type one way overrunning clutch

Brand Name : R&B

Model Number : GFR/GFRN/MZEU/FGR/GL30

Certification : SGS

Place of Origin : Jiangsu,China

MOQ : 10pcs

Price : USD50.00-300.00/pcs

Supply Ability : 100000pcs/per month

Packaging Details : Industrial packing and commercial packing

Material : Gcr15

Model : GFR30

Application : ,textile machine,elevator machine, Strap/belt tighteners • Bucket conveyors • Belt reversing locks

ID : 30mm

OD : 100mm

Height : 68mm

Torqure capacity : 500N.M

Weight : 2.2kg/pcs

Contact Now

GFR GFRN Roller Clutch Roller One Way Bearing

Product Description

R&B brand GFR/GFRN/MZEU/FGR/GL30 roller type one way overrunning clutch

GFR GFRN

Features

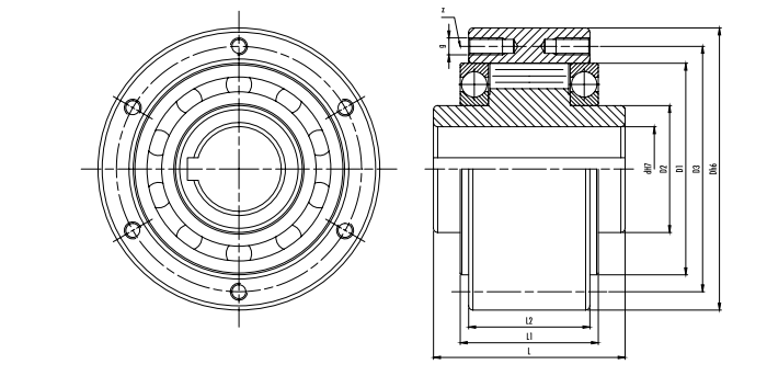
Types GFR,GFRN /MZEU/FGR/GLG are roller type freewheels. They are bearing supported, using two 160.. series bearings, and require oil lubrication. These units may be used in designs providing oil lubrication and sealing as on the example overleaf. The bearings must not be axially stressed.

Typically, types GFR,GFRN are used with the F series covers that are designed to transmit torque, and provide oil lubrication and sealing. Usually these covers are used in pairs according to combinations shown on the following pages. The outer race of the GFR model is plain to receive and center any component bored to H7 tolerance.
Torque is transmitted by bolts through the cover plate in this case. Types GFR, GFRN are identical except that type GFRN has a keyway on the outside diameter to transmit the torque. Two paper seals are delivered with each unit to be placed between the outer race and cover plates.

Data Sheet

Item GFR GFRN 50
Material GCr15
Outer Diameter 150 mm
Inner Diameter 50mm
Weight 7.2kg
Torque 2125 Nm
Overrunning Speed(inner race) 800 min-1
Overrunning Speed(outer race) 2800min-1
Port Shanghai:Ningbo
Delivery Time 7-10 days

R&B brand GFR/GFRN/MZEU/FGR/GL30 roller type one way overrunning clutch

Different Sizes Of GFR GFRN Series For Your Reference

Type Size Overrunning speeds Number Weight

GFR

GFRN

dH7 TKN1) nimax2) namax3) Dh7 D2 D4 D3 G t z L 1 L B t1 bP10 f
[mm] [Nm] [min-1] [min-1] [mm] [mm] [mm] [mm] [mm] [mm] [mm] [mm] [mm] [mm] [mm] [kg]
12* 55 4000 7200 62 20 42 51 ø5.5 3 42 20 27 2.5 4 0.5 0.5
15 125 3600 6500 68 25 47 56 M5 8 3 52 28 32 3 5 0.8 0.8
20 181 2700 5600 75 30 55 64 M5 8 4 57 34 39 3.5 6 0.8 1
25 288 2100 4500 90 40 68 78 M6 10 4 60 35 40 4 8 1 1.5
30 500 1700 4100 100 45 75 87 M6 10 6 68 43 48 4 8 1 2.2
35 725 1550 3800 110 50 80 96 M6 12 6 74 45 51 5 10 1 3
40 1025 1150 3400 125 55 90 108 M8 14 6 86 53 59 5 12 1.5 4.6
45 1125 1000 3200 130 60 95 112 M8 14 8 86 53 59 5.5 14 1.5 4.7
50 2125 800 2800 150 70 110 132 M8 14 8 94 64 72 5.5 14 1.5 7.2
55 2625 750 2650 160 75 115 138 M10 16 8 104 66 72 6 16 2 8.6
60 3500 650 2450 170 80 125 150 M10 16 10 114 78 89 7 18 2 10.5
70 5750 550 2150 190 90 140 165 M10 16 10 134 95 108 7.5 20 2.5 13.5
80 8500 500 1900 210 105 160 185 M10 16 10 144 100 108 9 22 2.5 18.2
90 14500 450 1700 230 120 180 206 M12 20 10 158 115 125 9 25 3 28.5
100 20000 350 1450 270 140 210 240 M16 24 10 182 120 131 10 28 3 42.5
130 31250 250 1250 310 160 240 278 M16 24 12 212 152 168 11 32 3 6
150 70000 200 980 400 200 310 360 M20 32 12 246 180 194 12 36 4 138

1) T max = 2 × T KN

2) Inner race overruns. Values without radial lip seals
3) Outer race overruns. Values without radial lip seals Keyway to DIN 6885.1
*GFR12 has through holes in outer race

Mounting

R&B brand GFR/GFRN/MZEU/FGR/GL30 roller type one way overrunning clutch

R&B brand GFR/GFRN/MZEU/FGR/GL30 roller type one way overrunning clutch

R&B brand GFR/GFRN/MZEU/FGR/GL30 roller type one way overrunning clutch

R&B brand GFR/GFRN/MZEU/FGR/GL30 roller type one way overrunning clutch

R&B brand GFR/GFRN/MZEU/FGR/GL30 roller type one way overrunning clutch

R&B brand GFR/GFRN/MZEU/FGR/GL30 roller type one way overrunning clutch

Detailed Image

R&B brand GFR/GFRN/MZEU/FGR/GL30 roller type one way overrunning clutch

R&B brand GFR/GFRN/MZEU/FGR/GL30 roller type one way overrunning clutch

R&B brand GFR/GFRN/MZEU/FGR/GL30 roller type one way overrunning clutch

R&B brand GFR/GFRN/MZEU/FGR/GL30 roller type one way overrunning clutch

Company Information

Changzhou RenBen Bearing Factory(Changzhou Global Bearing Factory)is a manufacturer specialized in Producing Various cam clutch, one way bearing, needle roller bearings,one way clutch, backstop clutch, overrunning clutch and other bearings with high technology.

R&B brand GFR/GFRN/MZEU/FGR/GL30 roller type one way overrunning clutch

Workshop

R&B brand GFR/GFRN/MZEU/FGR/GL30 roller type one way overrunning clutch

Manufacture Processing

R&B brand GFR/GFRN/MZEU/FGR/GL30 roller type one way overrunning clutch

Testing equipment

R&B brand GFR/GFRN/MZEU/FGR/GL30 roller type one way overrunning clutch

Main products

1. One Way Bearing

R&B brand GFR/GFRN/MZEU/FGR/GL30 roller type one way overrunning clutch

1. Overrunning clutch

for multiple-machine drives or to separate the iner-tia of masses of a driven machine from the driving machine after it has been switched off.

2. Indexing clutch

which turns a shaft step by step, thus achieving indexed material feed or a variable speed.

3. Backstop

to prevent a machine shaft turning backwards. In this case the overrunning clutch acts as a brake

2.Needle roller bearings

R&B brand GFR/GFRN/MZEU/FGR/GL30 roller type one way overrunning clutch

Applications:

Backstop

A Backstop application is where rotation

is allowed in one direction and stopped in

the opposite.

Application examples:

· Conveyor equipment

· Mixers

· High voltage switches

· Furniture industry

· Turnstiles and revolving doors

· Geared motors

· Winches

· Elevators

· Cranes

· Strap/belt tighteners

· Bucket conveyors

· Belt reversing locks

· Fans

· Automatic doors (subway)

· Fire damper flaps

· Aviation technology

· Roller plants

· Summer skiing

Indexing clutch

A repeated drive then idle motion will

be transferred to the driven side, step by

step, as rotary motion in one direction (the

clamping direction).

Application examples:

·Paper processing (advance)

· Seeding machines

· Staplers (staples)

· Conveyor belts (drive)

· Ratchets

· Ratchet wrenches

· Roller advance

· Installation tools

· Automation technology

Overrunning clutch

If the speed of the driven side exceeds the

speed of the driving side,the freewheel-clutch disengages the driving and driven sides by switching from torque transimit to idle.

Application examples:

·Copier machines

· Printing machines

· Conveyor equipment

· Transport equipment (speed matching)

· Starters for combustion engines

· Ergometers

· E-bikes

· Bicycle hubs

· Starters

· Emergency power aggregates

· Generators

· Hybrid applications (E-mobility)

· Palletizing and storage systems

· Model helicopters

· Hand operated sirens

· Roller coasters

· Washing systems

· Continuous ovens

· Compressors

· Compensating gearboxes

· Gas turbine drives

· Pump drives

· Belt drives

· Wheelchairs

R&B brand GFR/GFRN/MZEU/FGR/GL30 roller type one way overrunning clutch

Our advanges:

R&B brand GFR/GFRN/MZEU/FGR/GL30 roller type one way overrunning clutch

Our package:

R&B brand GFR/GFRN/MZEU/FGR/GL30 roller type one way overrunning clutch

R&B Certifications:

R&B brand GFR/GFRN/MZEU/FGR/GL30 roller type one way overrunning clutch

R&B MODELS:

1. One way clutch MG Series MG300/MG400/MG500/MG600/MG700/MG750/MG800/MG900/MG100/MG1100/MG1200/MG13

2. One way clutch MZ Series MZ15/MZ17/MZ20/MZ30-22/MZ30-25/MZ30/MZ35/MZ45-40/MZ45-40/MZ60-50/MZ60-55/MZ60/MZ70-65/MZ70

3. B200 series cam clutch
B203/B204/B205/B206/B207/B208/B209/B210/B211/B212/B213/B214

4. BB series one way bearings
BB15/BB17/BB20/BB25/BB30/BB35/BB40/BB15-1K-K/BB17-1K-K/BB20-1K-K/BB25-1K-K /BB30-1K-K/BB35-1K-K/BB40-1K-K/BB15-2K-K/BB17-2K-K/BB20-2K-K/BB25-2K-K /BB30-2K-K/BB35-2K-K/BB40-2K-K/


5. CSK series one way bearings
CSK8/CSK12/CSK15/CSK15-1K/CSK15-2K/CSK17/CSK17P/CSK17PP/CSK20/CSK20P/CSK20PP/CSK25/CSK25P/CSK25PP/CSK30/CSK30P/CSK30PP/CSK35/CSK35P/CSK35PP/CSK40/CSK40-1K/CSK40-2K/CSK8-RS/CSK35-2RS/CSK12-2RS/SK40-2RS/CSK15-2RS/CSK20P-2RS/CSK17-2RS /CSK25P-2RS CSK20-2RS/CSK30P-2RS CSK25-2RS /CSK30PP-2RS CSK30-2RS


6. GFK series one way clutch bearings
GFK20/GFK25 /GFK30 /GFK35 /GFK40/GFK45 / GFK50

7. DC series sprag freewheel cage one way clutch
DC2222G /DC2776/ DC2222G /DC3175 (3C) DC2776 /DC3175A DC3175 (3C) /DC3034/ DC3175A
DC3809A/ DC3034 /DC3809A(3C) /DC3809A /DC4127 /DC3809A(3C) /DC4127
DC5476A/ DC4972 (4C) /DC5476A (4C) /DC5476A/ DC5476B/ DC5476A

8. BWC BW. X.BWX series cam clutch
BW-13161/BW-13167/BW-13167MZ/BW-13214/BW-13214/BW-13231/BW-13243/BW-13244/BW-13255/BWC-13168/BWC-13219A/BWC-13229/BWX/BWC/X/RC series freewheel cage overrunning clutch
BWX134939/BWX13219/BWX132640/BWC13230/BWC13244/BWX132909/BWX133339/BWC13167/BWC13239/BWC13168/BWX13261/BWX133403 X133400B /X133400/ X133401 X133402 /X133403 X134398 /X134954/ X135005/ X135006/ X135036/ X135041/ X135052 /X135067 RC061008 /RC081208 RC101410/ RC121610

9. RSBW series one way clutches
RSBW25/ RSBW30/RSBW35/ RSBW40/RSBW45/RSBW50/RSBW55/RSBW60
RSBW65/RSBW70/RSBW75/RSBW80/RSBW85/RSBW90


10. PB series one way clutches
PB3/PB5/PB6/PB8/PB10/PB12/PB14

11. TSS Freewheels sprag one way clutch
TSS8/TSS10/TSS12/TSS15/TSS20/TSS25/TSS30/TSS35/TSS40/TSS45/TSS50/TSS60


12. TFS series cam clutches
TFS12/TFS15/TFS17/TFS20/TFS25/TFS30/TFS35/TFS40/TFS45/TFS50/TFS60/TFS70/TFS8/TFS90

13. AS(NSS or TSS)series one way clutch
TSS8 AS8 NSS8/ TSS10 AS10 NSS10/ TSS12 AS12 NSS12/TSS15 AS15 NSS15/
TSS20 AS20 NSS20/ TSS25 AS25 NSS25/ TSS30 AS30 NSS30/ TSS35 AS35


14. ASNU(NFS or TFS) series one way clutch
TFS12 ASNU12 NFS12/ TFS15 ASNU15 NFS15/ TFS17 ASNU17 NFS17/ TFS20 ASNU20NFS20/TFS25 ASNU25 NFS25/TFS30 ASNU30 NFS30/TFS35 ASNU35

15. NF roller type one way clutch
STIEBER NF8 GFRN55/STIEBER NF12 GFRN60 /STIEBER NF15 GFRN70/
STIEBER NF20 GFRN80/STIEBER NF25 GFRN90/STIEBER NF30 GFRN100


16. AE roller type one way clutch
STIEBER AE8/STIEBER AE12/ STIEBER AE15/ STIEBER AE20/ STIEBER AE25/ STIEBER AE30/ STIEBER AE35/ STIEBER AE40/ STIEBER AE45/ STIEBER AE50/STIEBER AE55/ STIEBER AE60/

17. AA roller type one way clutch
STIEBER AA20/ STIEBER AA25/ STIEBER AA30/STIEBER AA35 /STIEBER AA40/STIEBER AA45/ STIEBER AA50/STIEBER AA55/STIEBER AA60/STIEBER AA70/ STIEBER AA80/STIEBER AA90/
STIEBER AA100/ STIEBER AA120/ STIEBER AA150/

18.GFRGFRN series miler overrunning clutch
GFR12/GFR15/GFR20/ GFR25/GFR30/ GFR35/GFR40/GFR45/GFR50/GFR55/GFR60/GFR70


19.FE series freewheel one way clutch

FE448 /FE443 /FE422/FE423/FE428/FE427/FE432/FE433/FE453 /FE437

20. One way clucth CKA Series bearngs: CK-A1542/CK-A1747/CK-A2052/CK-A2562/CK-A3072/CK-A3580/CK-A4090/CK-A45100/CK-A50110/CK-A60130

21. Drawn cup needle Roller one way HF0406/HF0612/HF0812/HF1012/HF1216HF1416/HF1616/HF1816/HF2016/HF25


22.KI series:KI196


23.HYCS cam clutch :HYC8S/HYC10S/HYC12S/HYC15S/HYC20S/HYC25S/HYC30S/HYC35S/HYC40S/HYC45S/HYC50S/HYC60S

24.LD series one way clutch:LD04/LD05/LD06/LD07/LD08

25.MA series cam clutch:MA20/MA30

26.MI series cam clutch :MI300/MI400/MI500/MI600/MI700/MI750/MI800/MI900/MI1000/MI1100/MI1200/MI1300

27.MZEUseries one way cam clutch :MZEU12K/MZEU15K/MZEU20K/MZEU25K/MZEU30K/MZEU35K/MZEU40K/MZEU45K/MZEU50K/MZEU55K/MZEU60K/MZEU70K/MZEU80K/MZEU90/MZEU100/MZEU130/MZEU150

28.BR series cam clutch BR20/BR25/BR30/BR35/BR40/BR45/BR50/BR60/BR71/BR80/BR90/BR100/BR130/BR150/BR180/BR190/BR220/BR240/

29.BSEU cam clutch BSEU40-20/BSEU40-25/BSEU40-30/BSEU40-35/BSEU40-40/BSEU70-45/BSEU70-50/BSRU70-55/BSEU70-60/BSEU70-65/BSEU70-70/BSEU90-75/BSEU90-80/BSEU90-85/BSEU90-90

30.BST cam clutch BST30/BST50/BST65/BST75/BST85/BST95/BST110/BST135/BST160/BST200/BST220/BST250/BST270/BST300/BST335/BST350/BST425/BST450


31.HYC series
HYC8C/HYC12C/HYC15C/HYC17C/HYC20C/HYC25C/HYC30C/HYC35C/HYC40C/HYC45C/HYC50C/HYC60C/HYC70C/HYC80C/HYC90C


32. CLD series one way bearings CLD04-09-06/CLD04-10-16/CLD04-13-3.1/CLD06-12-06/CLD06-16-3.5/CLD08-16-5.5/CLD08-16-09/

34.AV series backstop one way clutch
STIEBER AV20,STIEBER AV25,STIEBER AV30,STIEBER AV35,STIEBER AV40, STIEBER AV45,STIEBER AV50,STIEBER AV55,STIEBER AV60,STIEBER AV70,
STIEBER AV80,STIEBER AV90,STIEBER AV100,STIEBER AV110,STIEBER AV120

35.RSCI series one way clutch
RSCI20/STIEBER RSCI25/STIEBER RSCI30/STIEBER RSCI35/STIEBER RSCI40/ RSCI45/STIEBER RSCI50/STIEBER RSCI60/STIEBER RSCI70/STIEBER RSCI80/ STIEBER RSCI80M/STIEBER RSCI90/STIEBER RSCI90M/STIEBER RSCI100/STIEBER RSCI100M/ STIEBER RSCI130/STIEBER RSCI180/STIEBER RSCI180M/STIEBER RSCI180II/ STIEBER RSCI180II-M/STIEBER RSCI220/STIEBER RSCI220M/STIEBER RSCI220II/ STIEBER RSCI220II-M/STIEBER RSCI240/STIEBER RSCI240M/STIEBER RSCI240II/ STIEBER RSCI240II-M/STIEBER RSCI260/STIEBER RSCI260M/STIEBER RSCI260II/ STIEBER RSCI260II-M/STIEBER RSCI300/STIEBER RSCI300M/STIEBER RSCI300II

36.RSBI series
RSBI60/RSBI70/RSBI80/RSBI90/RSBI100/RSBI130/RSBI150/RSBI180/RSBI190/RSBI220/RSBI240STIEBER/RSBI100 /RIZ100G4 /STIEBER RSBI130 /RIZ130G4 /STIEBER RSBI150 /STIEBER RSBI100F8 RIZ30G7 /STIEBER RSBI130F8/ RIZ35G7 STIEBER/ RSBI150 F8 RIZ40G7

Needle roller bearings:
1. K series radial needle roller and cage assembiles,
NK series, Non-inner ring needle bearing, light series
NKS, Non-inner ring needle roller bearings, heavy series
RNA49, Non-inner needle roller bearing, sizes 49 series
RNA69, Non-inner needle roller bearings, size 69 series
RNA48, Non-inner needle roller bearings, size 48 series
NKI, with inner ring needle bearings, light series
AXK thrust ball bearing with flat seat.


2. Supporting roller and curve roller bearings:
NUTRseries, NUKRseries, KR series, PWKR series, NATR series, RSTOseries, STOseries, NATV series, CF series.

3. Combined radial bearings:
NKIA series, NKIB series, NX series, NKX series, NKXR series, ZARN series, ZARF series, RAXF series



Transport ways:

R&B brand GFR/GFRN/MZEU/FGR/GL30 roller type one way overrunning clutch

Easy communication ways:

R&B brand GFR/GFRN/MZEU/FGR/GL30 roller type one way overrunning clutch

FAQ

A:Will you send me free sample?

B: It is highly encouraged to ask for the samples for quality check.

A:Do you like to serve the client only with small orders?

B:We enjoy to grow up together with all our clients whatever big or small.And WIN-WIN is our objective.

A:Could you accept OEM and customize?
B:YES, we can customize for you according to sample or drawing, but, pls provide us technical data, such as dimension and mark.


A:Is it your company is factory or Trade Company?
B:We have our own factory; our type is factory + trade.


A:How to maintain my bearings?
B:a. Soak your bearings in mineral spririts or paint thinner to remove any grease or particulates;
b. Blowbearing out with compressed air;
c.place a light drop of oil on the bearing;
d.If the bearings feel rough repeat, give the bearing a spin.


A:Could you supply door to door service?
B:Yes, by air and by express (DHL, FEDEX, TNT, ARAMEX,EMS, SF)

Our Advantages


Buy cheap R&B brand GFR/GFRN/MZEU/FGR/GL30 roller type one way overrunning clutch product

R&B brand GFR/GFRN/MZEU/FGR/GL30 roller type one way overrunning clutch Images

Inquiry Cart 0
Send your message to this supplier
 
*From:
*To: Changzhou Lisongtai Industrial Motion Technology Co.,LtD
*Subject:
*Message:
Characters Remaining: (0/3000)